
产品外形尺寸:(长×高×宽):110mm×120mm×13mm
1入2出。
热电阻输入。
4~20mA输出。
设置有USB接口,与计算机连接,可在线组态设置。
拨插式接线端子,可以带电拨插。
产品结构
产品外形尺寸:(长×高×宽):110mm×120mm×13mm

安装 . 端子接线
安装方式:
采用35mm标准DIN导轨卡式安装
1.将仪表卡装在导轨上,根据实际需要可以才去垂直安装或水平安装形式。
2.安装时请注意卡位稳定、牢固。可以密集安装。

接线:
1.接线电缆采用截面为0.5~2.5mm2 的单芯或者多芯电缆。
2.一字槽圆柱头M3螺丝拧紧连接,螺丝扭距0.8Nm以下。
3.接线端子使用的是可插式的接线插头端子。电缆连接时可以直接在已安装在导轨上的仪表 进行接线操作;也可以将接线插头端子从仪表上拔出,接好电缆后再插入与之相对应的端子 插座中。
安装
安装在安全场所, 并满足仪表技术规格所要求的环境条件。
仪表卡装在标准的 35mmDIN 导轨上 。导轨尺寸应符合标准号 为: GB/ T19334 - 2003的国家标准中 TH35-7.5型导轨的尺寸规 范。该标准等同于国际电工委员会IEC60715-1981的国际标准。 · 将仪表卡装在标准的导轨上,必须稳定牢固。 建议使用导轨
堵头防止仪表安装在导轨上滑动和安装不稳。
可以密集安装。
产品特点
● 热电阻输入。
● 仪表外形卡装式结构,耐燃性材质机壳,厚度为 13mm,可密集安装,组合、拆卸方便。
● 拨插式接线端子,可以带电拨插。
● 4~20mA输出。
● 通道数:一入二出。
● 设置有USB接口,与计算机连接,可在线组态设置。
概述
热电阻温度变送器将热电阻温度传感器信号转换成 DC4 ~20mA或其他信号 。 输入 、 输出 、 电源之间相互隔 离 。 二 、 三线制热电阻均可输入。
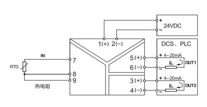
应用 . 端子接线
配合DCS/PLC等控制系统或其它单元组合仪表应用。
连接至控制系统:各款DCS/PLC的AI卡,接收热电阻信号。
安装与端子接线:35mm的标准DIN导轨卡式安装;接线电缆采用截面为0.5~2.5mm 2 的单芯或者多芯电缆,一字槽圆柱头M3螺丝拧紧连接。

主要技术规格
输入规格: 热电阻: Pt100、 Ni1000、 Cu50、 Cu100等
(二、三、线热电阻)需要四线制请特殊注明
其他电阻:远传电阻等
量程:热电阻的任意量程。
激励电流: 0.2mA
引线电阻: 0~20Ω
允许负载电阻:输出为电流时 DC4~20mA,
第一路输出≤500Ω
第二路输出≤500Ω
DC0~10mA ,第一路输出≤1000Ω 第二路输出≤1000Ω
输出为电压时 允许负载电阻:≥10KΩ
电源参数: 供电电压: 24VDC±10%
(最大范围: 18~35VDC)
功耗(供电为24VDC): ≤2.0W(一进二出)
传输精度: 0.1% F·S
温度漂移: ±50ppm/℃
电源变动影响: ±0.05%(允许电压范围)
引线电阻影响: ±0.015%/Ω
传感器熔断处理: 输出为最大电流或电压 故障指示灯闪烁 响应时间: ≤200mS
环境温度: -25~60℃
湿度范围: 0~90%RH(无冷凝)
安装方式: DIN标准导规
重量:约100g
绝缘电阻: ≥100MΩ/500VDC
绝缘强度: 1500VAC/1min